Измерение электрофизических характеристик биполярного транзистора
Описание лабораторной установки и практические задания
Устройство лабораторной установки
Внешний вид установки можно увидеть на рис. 1. В её состав входят: источники питания 1, многопредельный миллиамперметр 2, измерительный модуль 3, осциллограф 4 и генератор сигналов 5.

Рис. 1.
1. Источники питания
Для питания схемы используются два лабораторных источника питания GPS3030D. Как пользоваться прибором, читаем здесь..
2. Многопредельный миллиамперметр
Для измерения тока в работе используется мультиметр APPA-201N. Основные приёмы работы с ним можно прочитать здесь.
3. Измерительный модуль
Исследуемый транзистор и несколько пассивных элементов помещены в диэлектрический бокс, обеспечивающий защиту элементов схемы от внешних факторов и защищающий экспериментаторов от неблагоприятных воздействий (рис 2). Для подсоединения питающих напряжений и измерительных приборов на корпусе модуля имеются клеммы и ВЧ разъёмы.

Рис. 2.
4. Осциллограф
Для визуализации сигналов в данной установке используется осциллограф ОСУ-10А. Как пользоваться осциллографом, вкратце рассказано по этой ссылке.
5. Генератор сигналов
Генератор сигналов UTG9000C служит для подачи сигнала на базу исследуемого транзистора. Форма, частота и другие параметры сигнала зависят от поставленного задания. Краткую инструкцию по использованию генератора читайте здесь.
Практические задания
1. Измерение входной характеристики транзистора Iб = f(Uб)
Входная характеристика транзистора измеряется по схеме, изображённой на рис. 3(а).

Рис. 3.
Снимите зависимость тока базового перехода от напряжения на нём.
Следите за тем, чтобы величина тока была не более 1 мА.
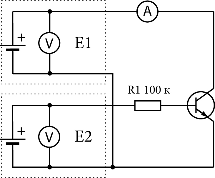
2. Измерение обратной характеристики перехода база-эмиттер Iб = f (Uб)
Измерение обратной характеристики перехода база-эмиттер производится по схеме, изображённой на рис. 3(б).
Снимите зависимость тока базового перехода от обратного напряжения на нём.
Следите за тем, чтобы величина тока была не более 50 мкА.
3. Измерение переходных характеристик транзистора Iк = f(Iб)
Для выполнения этого задания потребуется собрать схему рис. 4. Здесь и далее транизстор включен по схеме с общим эмиттером.

Рис. 4.
Проведите измерение семейства переходных характеристик при напряжениях на коллекторе транзистора
0,5 В,
1,0 В и
1,5 В.
Ток базы должен быть не более 300 мкА, ток коллектора – не более 7 мА, напряжение на коллекторе – не более 6 В. Как будете определять ток базы?
4. Измерение выходных характеристик транзистора Iк = f (Uк)
Выполнение этого задания производится при включении транзистора по схеме рис. 4.
Проведите измерение семейства выходных характеристик при токах базы транзистора 20 мкА, 40 мкА, 60 мкА и 80 мкА.
Ток коллектора должен быть не более 7 мА, напряжение на коллекторе – не более 6 В.
5. Расчёт параметров транзистора
По результатам проведённых измерений:
- рассчитайте и постройте зависимость коэффициент передачи тока от напряжения коллектора при токах коллектора 2 мА и 5 мА;
- рассчитайте h-параметры транзистора при Iб = 40 мкА, Uк = 5 В.
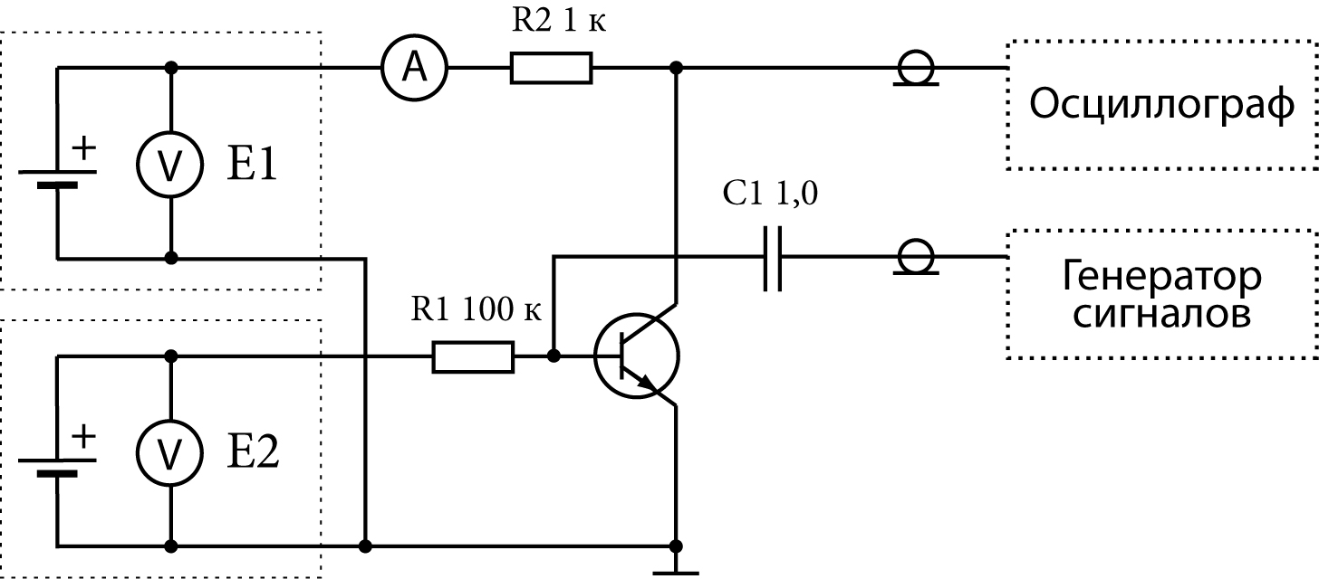
6. Измерение коэффициента усиления однокаскадного усилителя
Задание выполняется по схеме рис. 5.

Рис. 5.
Установите линейный режим работы транзистора: напряжение Е1 = 6 В, ток базы (меняется изменением Е2) примерно 50...150 мкА, при этом ток коллектора должен быть в районе 3 мА, напряжение на коллекторе около 3 В. Подайте с генератора сигналов синусоидальный сигнал частотой 10...20 кГц, напряжением 10...20 мВ. Получите на осциллографе выходной сигнал. Скорректируйте положение рабочей точки и уровень входного сигнала для достижения минимальных искажений выходного сигнала (рис. 6).

Рис. 6.
При онлайн измерениях транзистор сам устанавливается в линейный режим, амплитуда входного напряжения соответствует требуемому значению. Проведите измерение зависимости коэффициента усиления по напряжению от частоты усиливаемого сигнала. Найдите граничные частоты усиления.
Совет: при построении графика частоту откладывайте в логарифмическом масштабе (по основанию 10).
7. Измерение времени переключения транзистора
Задание выполняется по схеме рис. 5.
Установите для транзистора режим отсечки: напряжение Е1 = 6 В, ток базы – ноль, при этом ток коллектора должен быть равен нулю, напряжение на коллекторе около 6 В. Подайте с генератора прямоугольный сигнал «меандр» частотой 120...150 кГц, напряжением 2...3 В. Получите на осциллографе выходной сигнал.
Подстройте уровень выходного напряжения генератора так, чтобы транзистор переключался из режима отсечки в режим насыщения. Примерный вид осциллограммы см. на рис. 7.

Рис. 7.
При онлайн измерениях транзистор сам устанавливается в необходимый режим, амплитуда входного напряжения соответствует требуемому значению. Измерьте зависимость времени переключения транзистора из режима отсечки в режим насыщения и из режима насыщения в режим отсечки от тока базы транзистора.
Оцените предельную частоту усиления транзистора, сравните со значением, полученным в предыдущем задании.
Техника безопасности
1. В лабораторной установке используются низкие напряжения, не опасные для жизни, поэтому дополнительных требований к безопасности нет.
2. Сборку, разборку и любые изменения в схеме следует производить только при выключенном питании.
3. После сборки схемы перед её включением следует пригласить заведующего лабораторией. Он проверит правильность сборки схемы и проведёт инструктаж по технике безопасности на рабочем месте.